裕芯经验网
首页
美食营养
生活百科
知识问答
生活知识
返回
裕芯经验网
首页
美食营养
游戏数码
手工爱好
生活知识
生活百科
健康养生
运动户外
职场理财
情感交际
母婴教育
时尚美容
知识问答
更多知识
搜索
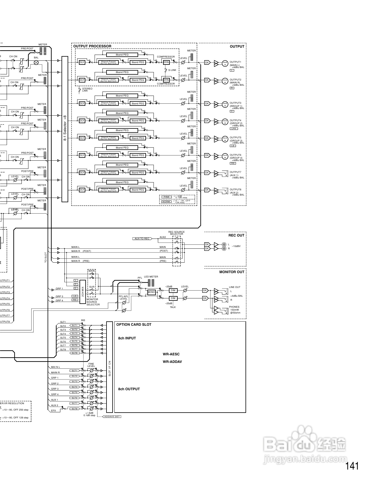
松下WR-D01数字式凋音台使用说明书:[8]
2026-02-19 23:11:34
(共篇)
上一篇:
相关推荐
松下WR-D01数字式凋音台使用说明书:[7]
阅读量:169
松下WR-D01数字式凋音台使用说明书:[5]
阅读量:42
松下WR-D40数字式凋音台使用说明书:[8]
阅读量:103
松下WR-D40数字式凋音台使用说明书:[7]
阅读量:28
WR威廉指标详解
阅读量:74
猜你喜欢
炒鱿鱼的家常做法
耳机煲机方法
清炖羊排的家常做法
大白鲢鱼怎么做好吃
晒黑后快速美白方法
教学计划怎么写
生菜怎么做好吃又简单
捷西橱柜怎么样
siri怎么用
治疗黑头粉刺的方法
猜你喜欢
巴沙鱼怎么做好吃
光子嫩肤效果怎么样
怎么合成照片
游戏大全下载
清宿便最有效的方法
元宵节灯谜大全
红牛喝多了会怎么样
云南有什么好吃的
骆驼肉好吃吗
治失眠的方法