裕芯经验网
首页
美食营养
生活百科
知识问答
生活知识
返回
裕芯经验网
首页
美食营养
游戏数码
手工爱好
生活知识
生活百科
健康养生
运动户外
职场理财
情感交际
母婴教育
时尚美容
知识问答
搜索
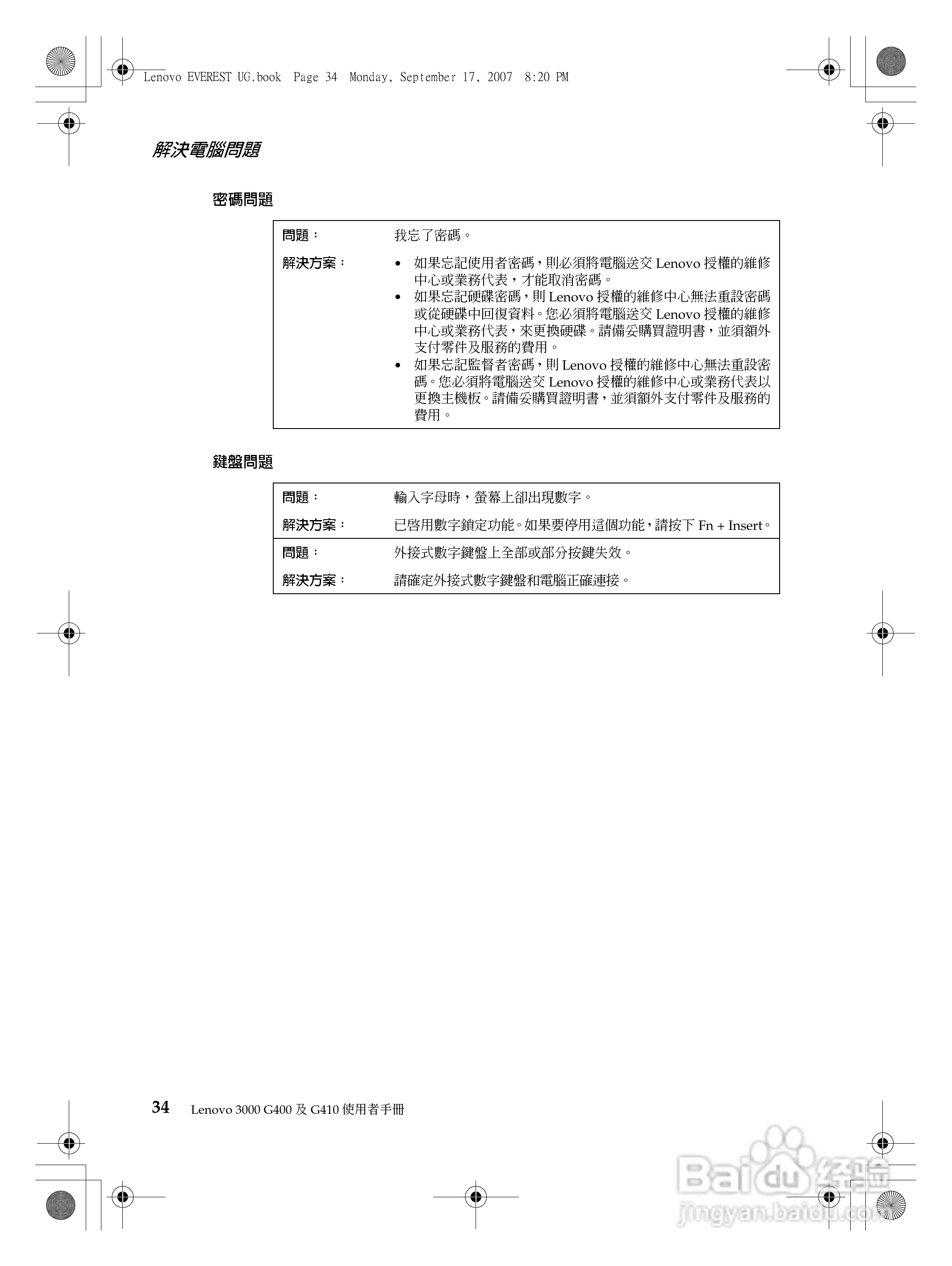
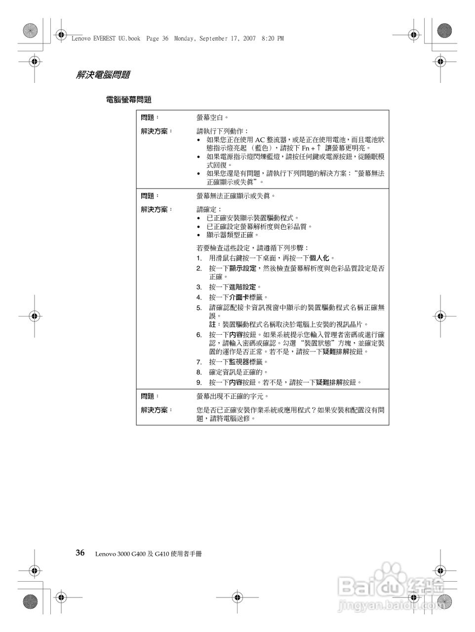
联想Lenovo 3000 G410笔记本电脑使用说明书:[5]
2026-02-17 11:32:11
本篇为《联想Lenovo 3000 G410笔记本电脑使用说明书》,主要介绍该产品的使用方法以及常见故障解决方案。
(共篇)
上一篇:
|
下一篇:
相关推荐
联想Lenovo 3000 G410笔记本电脑使用说明书:[6]
阅读量:43
联想Lenovo 3000 G400笔记本电脑使用说明书:[6]
阅读量:27
联想 Lenovo 3000 Y410笔记本电脑使用说明书:[8]
阅读量:33
笔记本电脑如何连接wifi
阅读量:118
笔记本电脑键盘锁住了怎么解锁
阅读量:71
猜你喜欢
step是什么意思
985和211大学是什么意思
aqua是什么意思
光驱是什么
五指毛桃煲汤配什么
唐突是什么意思
block是什么意思
feed是什么意思
爱迪生发明了什么
女生第一次是什么感觉
猜你喜欢
剪短发什么发型好看
什么是通货膨胀
子宫内膜厚是什么原因引起的
工作性质是什么意思
under是什么意思
九出十三归是什么意思
禾尤山念什么
省委常委是什么级别
喉咙有异物感是什么原因
结婚三十年是什么婚