裕芯经验网
首页
美食营养
生活百科
知识问答
生活知识
返回
裕芯经验网
首页
美食营养
游戏数码
手工爱好
生活知识
生活百科
健康养生
运动户外
职场理财
情感交际
母婴教育
时尚美容
知识问答
更多知识
搜索
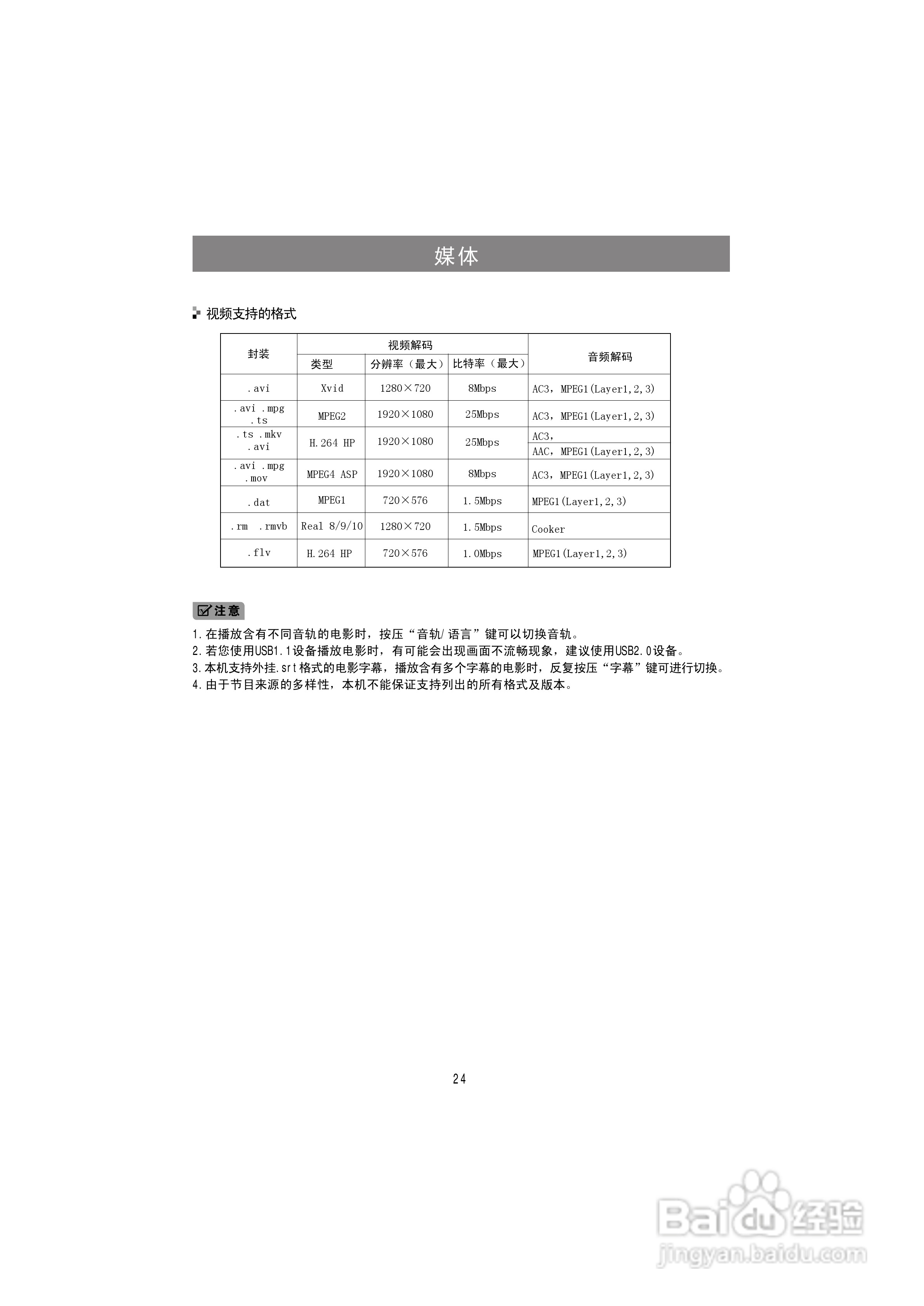
海信LED46K200液晶彩电使用说明书:[3]
2026-02-15 16:26:26
(共篇)
上一篇:
|
下一篇:
相关推荐
海信LED46K200液晶彩电使用说明书:[2]
阅读量:120
海信LED46K300液晶彩电使用说明书:[3]
阅读量:103
海信LED46K26液晶彩电使用说明书:[3]
阅读量:166
海信LED46K310NX3D液晶彩电使用说明书:[3]
阅读量:139
海信电视怎么恢复出厂设置
阅读量:169
猜你喜欢
简讯怎么写
植物大全
英语故事大全
网络名称大全
头晕乏力是怎么回事
小黄花鱼怎么做好吃
好听名字大全
霎怎么组词
乳名大全
移动的宽带怎么样
猜你喜欢
鬼片大全
口红怎么涂好看
大全影视
周六福珠宝怎么样
实用祝酒词大全
恐怖片大全
广告词语大全
南京工程学院怎么样
英语语法大全
国华人寿保险怎么样