裕芯经验网
首页
美食营养
生活百科
知识问答
生活知识
返回
裕芯经验网
首页
美食营养
游戏数码
手工爱好
生活知识
生活百科
健康养生
运动户外
职场理财
情感交际
母婴教育
时尚美容
知识问答
更多知识
搜索
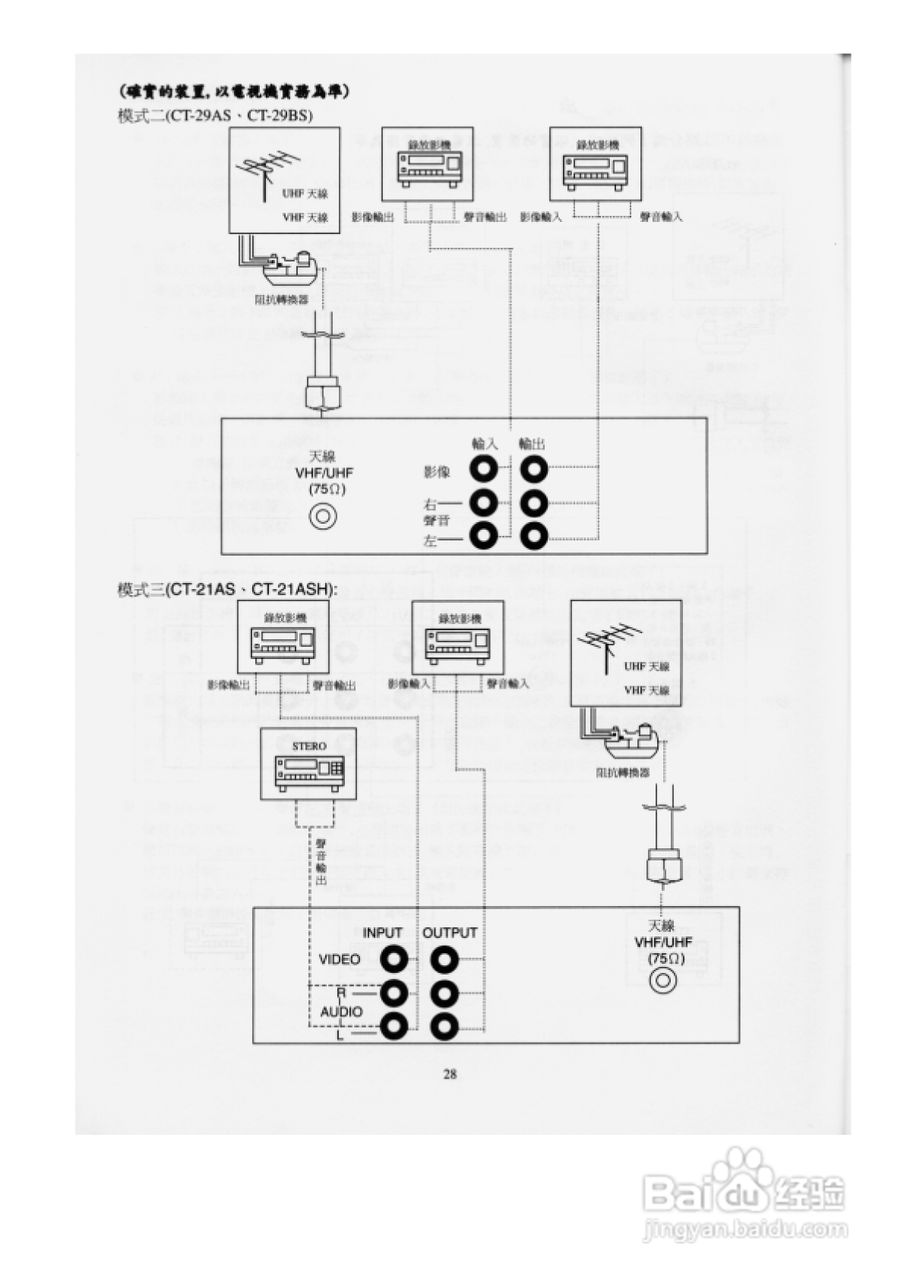
歌林CT-21AS型电视机使用说明书:[3]
2026-02-16 10:22:28
/>
(共篇)
上一篇:
|
下一篇:
相关推荐
歌林CT-21AS型电视机使用说明书:[2]
阅读量:144
歌林CT-21AS型电视机使用说明书:[4]
阅读量:192
歌林CT-29AS型电视机使用说明书:[2]
阅读量:42
歌林CT-21K型电视机使用说明书:[2]
阅读量:151
歌林CT-21K型电视机使用说明书:[1]
阅读量:161
猜你喜欢
嘴唇发紫是什么原因
如何给照片换背景
如何成为明星
女朋友来月经怎么照顾
生活大爆炸第一季
雅生活
word如何转pdf
如何控制自己
如何做好微信营销
血压低怎么办吃什么好得快
猜你喜欢
充电宝怎么看充满电
我的学习生活
假如生活欺骗了你在线观看
比亚迪f6怎么样
奥利给是什么意思
偏旁部首怎么打
独立声卡怎么安装
2月18日是什么星座
南京机电职业技术学院怎么样
如何输入特殊符号