裕芯经验网
首页
美食营养
生活百科
知识问答
生活知识
返回
裕芯经验网
首页
美食营养
游戏数码
手工爱好
生活知识
生活百科
健康养生
运动户外
职场理财
情感交际
母婴教育
时尚美容
知识问答
更多知识
搜索
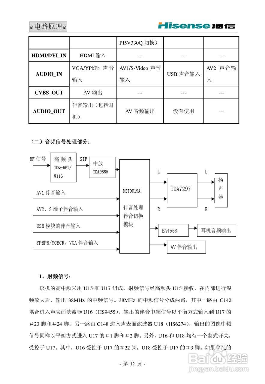
海信HDP29R68电视使用说明书:[2]
2026-02-17 13:31:22
(共篇)
上一篇:
|
下一篇:
相关推荐
海信HDP29R68电视使用说明书:[7]
阅读量:41
海信HDP29R68电视使用说明书:[5]
阅读量:144
海信HDP2976彩电使用说明书:[2]
阅读量:108
海信HDP2976彩电使用说明书:[3]
阅读量:134
海信HDP2976彩电使用说明书:[1]
阅读量:131
猜你喜欢
宫颈糜烂是怎么回事
广西人怎么样
精影显卡怎么样
琥珀是怎么形成的
怎么哄老婆不生气
小肚子痛是怎么回事
怎么清洗油烟机
体温计碎了怎么办
豆瓣酱怎么做
血精是怎么回事
猜你喜欢
app id怎么注册
心脏房颤怎么治疗
打六折怎么算
ps怎么做倒影
刷卡机怎么用
金道贵金属怎么样
口苦口干是怎么回事
电话车险怎么样
离职原因怎么说
我的世界围栏怎么做