如何识别14项形位公差
1、直线度 直线度,即通常所说的平直程度,表示零件上的直线要素实际形状保持理想直线的状况。直线度公差是实际线对理想直线所允许的最大变动量。


2、平面度 平面度,即通常所说的平整程度,表示零件的平面要素实际形状,保持理想平面的状况。平面度公差是实际表面对理想平面所允许的最大变动量。

3、圆度 圆度,即通常所说的圆整程度,表示零件上圆的要素实际形状与其中心保持等距的状况。圆度公差是在同一截面上,实际圆对理想圆所允许的最大变动量。

4、圆柱度 圆柱度是表示零件上圆柱面外形轮廓上的各点,对其轴线保持等距状况。圆柱度公差是实际圆柱面对理想圆柱面所允许的最大变动量。

5、线轮廓度 线轮廓度是表示在零件的给定平面上,任意形状的曲线,保持其理想形状的状况。线轮廓度公差是指非圆曲线的实际轮廓线的允许变动量。

6、面轮廓度 面轮廓度是表示零件上的任意形状的曲面,保持其理想形状的状况。面轮廓度公差是指非圆曲面的实际轮廓线,对理想轮廓面的允许变动量。

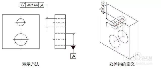
7、平行度 平行度,即通常所说的保持平行的程度,表示零件上被测实际要素相对于基准保持等距离的状况。平行度公差是被测要素的实际方向,与基准相平行的理想方向之间所允许的最大变动量。

8、垂直度 垂直度,即通常所说的两要素之间保持正交的程度,表示零件上被测要素相对于基准要素,保持正确的90°夹角状况。垂直度公差是被测要素的实际方向,对于基准相垂直的理想方向之间所允许的最大变动量。


9、倾斜度 倾斜度是表示零件上两要素相对方向保持任意给定角度的正确状况。倾斜度公差是被测要素的实际方向,对于基准成任意给定角度的理想方向之间所允许的最大变动量。


10、位置度 位置度是表示零件上的点、线、面等要素,相对其理想位置的准确状况。位置度公差是被测要素的实际位置相对于理想位置所允许的最大变动量。

11、同轴(同心)度 同轴度,即通常所说的共轴程度,表示零件上被测轴线相对于基准轴线,保持在同一直线上的状况。同轴度公差是被测实际轴线相对于基准轴线所允许的变动量。

12、对称度 对称度是表示零件上两对称中心要素保持在同一中心平面内的状态。对称度公差是实际要素的对称中心面(或中心线、轴线)对理想对称平面所允许的变动量。

13、圆跳动 圆跳动是表示零件上的回转表面在限定的测量面内,相对于基准轴线保持固定位置的状况。圆跳动公差是被测实际要素绕基准轴线,无轴向移动地旋转一整圈时,在限定的测量范围内所允许的最大变动量。


14、全跳动 全跳动是指零件绕基准轴线作连续旋转时,沿整个被测表面上的跳动量。全跳动公差是被测实际要素绕基准轴线连续的旋转,同时指示器沿其理想轮廓相对移动时所允许的最大跳动量。

