裕芯经验网
首页
美食营养
生活百科
知识问答
生活知识
返回
裕芯经验网
首页
美食营养
游戏数码
手工爱好
生活知识
生活百科
健康养生
运动户外
职场理财
情感交际
母婴教育
时尚美容
知识问答
更多知识
搜索
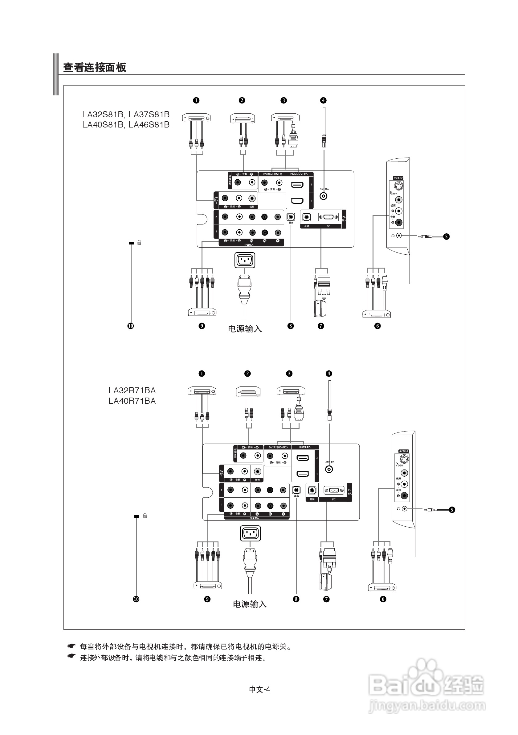
三星LA32R71BA液晶彩电使用说明书:[1]
2026-02-13 12:43:37
(共篇)
下一篇:
相关推荐
三星LA32R71B液晶彩电使用说明书:[1]
阅读量:182
三星LA32R71BA液晶彩电使用说明书:[2]
阅读量:66
三星LA32R71B液晶彩电使用说明书:[2]
阅读量:33
三星LA40R71BA液晶彩电使用说明书:[3]
阅读量:143
三星LA40R71BA液晶彩电使用说明书:[2]
阅读量:119
猜你喜欢
初中生如何瘦腿
mp3如何下载歌曲
龙胆草泡水喝的功效
长安cx20怎么样
公积金如何提取
祝自己生日快乐的句子发朋友圈
红枣泡水喝有什么好处
厦门哪里好玩
如何查询路由器密码
如何重置路由器
猜你喜欢
两个路由器怎么串联
如何减肥
哺乳期如何减肥
眼角长斑怎么办
项羽哪里人
池州学院怎么样
qq回收站在哪里
福州有哪些旅游景点
凭证式国债怎么买
奇瑞qq怎么样