裕芯经验网
首页
美食营养
生活百科
知识问答
生活知识
返回
裕芯经验网
首页
美食营养
游戏数码
手工爱好
生活知识
生活百科
健康养生
运动户外
职场理财
情感交际
母婴教育
时尚美容
知识问答
更多知识
搜索
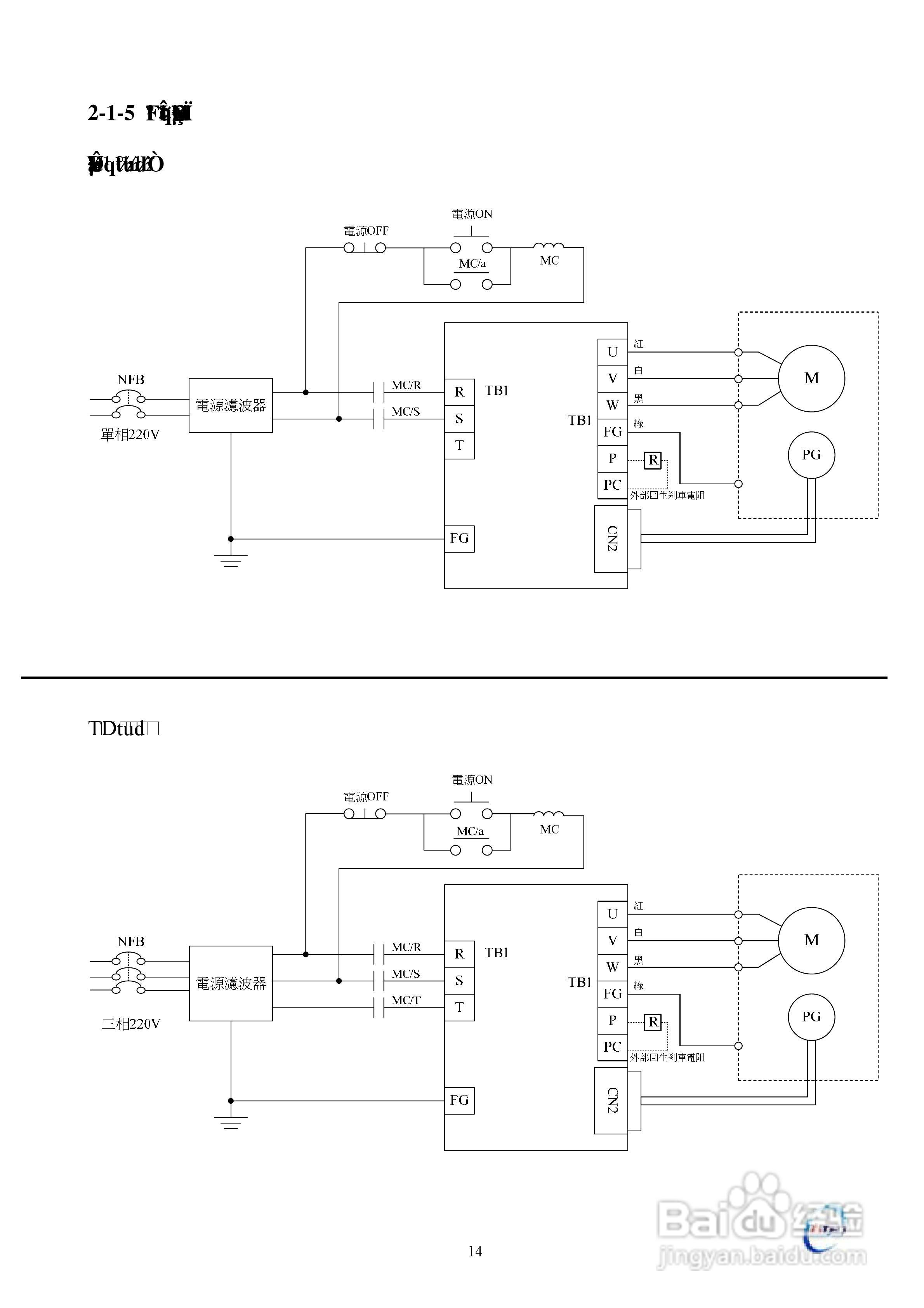
东元伺服驱动器TSTE操作手册:[2]
2026-02-15 18:57:17
本篇为《东元伺服驱动器TSTE操作手册》,主要介绍该产品的使用方法以及常见故障解决方案。
(共篇)
上一篇:
|
下一篇:
相关推荐
养车点点一元洗车券怎么洗车?
阅读量:82
台湾茶分类(茶叶知识)
阅读量:31
哪些女人的皮肤最需要排毒?
阅读量:96
九年级语文暑假作业如何布置
阅读量:70
人在睡觉时为什么有时候会猛的身体动一下?
阅读量:170
猜你喜欢
嘴唇太厚怎么变薄
桀骜不驯的近义词
敦厚的近义词
支撑的近义词
玉米粒怎么剥
滋润的近义词
中长发大卷发型图片
尽头的近义词
吉林省博物馆
感冒通
猜你喜欢
河南省地质博物馆
健康饮食常识
喜宝奶粉怎么样
幸运的近义词
周围的近义词
呈现的近义词是什么
孩子记性不好怎么办
忧郁的近义词是什么
挂号信怎么取
霍山石斛怎么吃