裕芯经验网
首页
美食营养
生活百科
知识问答
生活知识
返回
裕芯经验网
首页
美食营养
游戏数码
手工爱好
生活知识
生活百科
健康养生
运动户外
职场理财
情感交际
母婴教育
时尚美容
知识问答
搜索
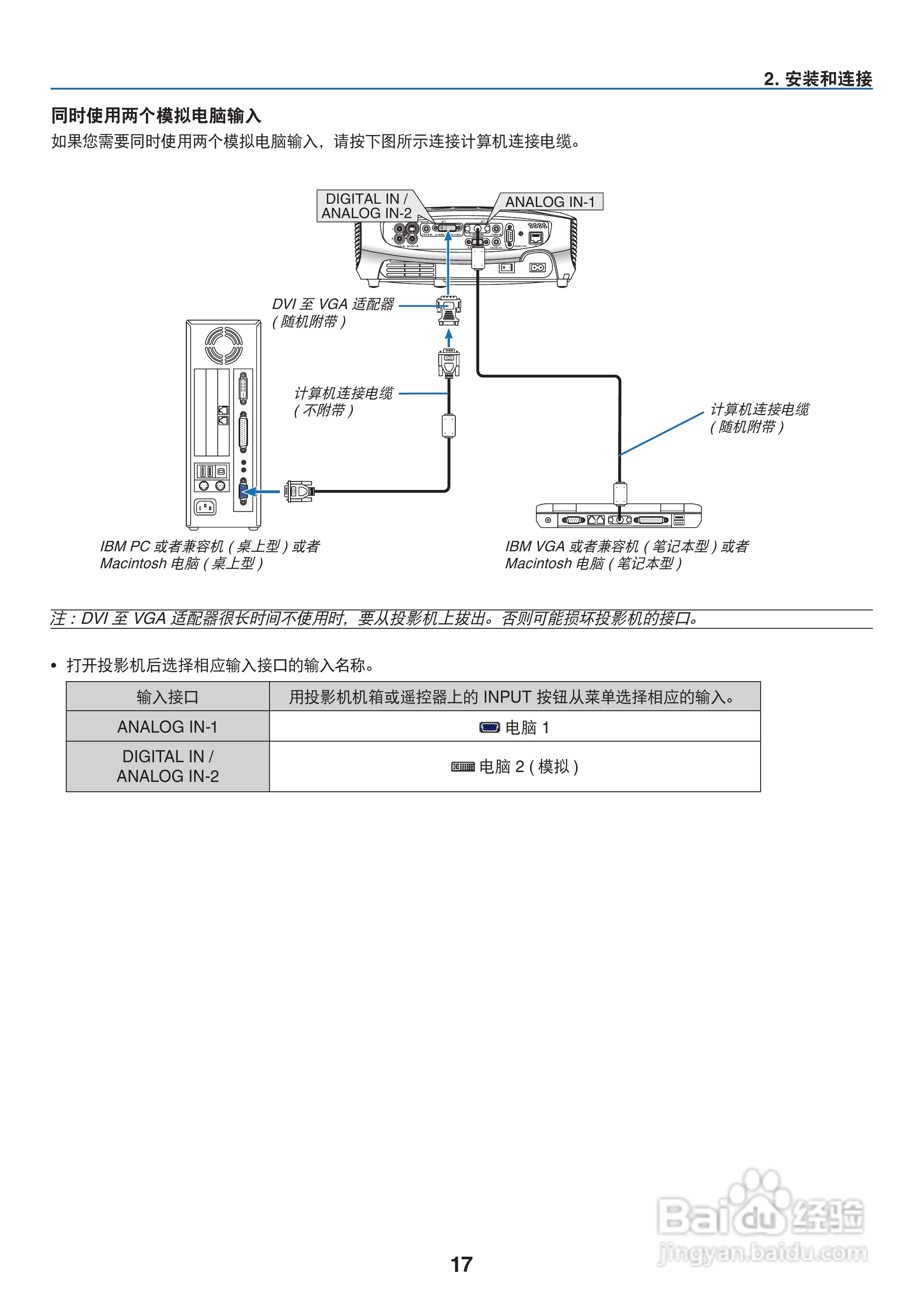
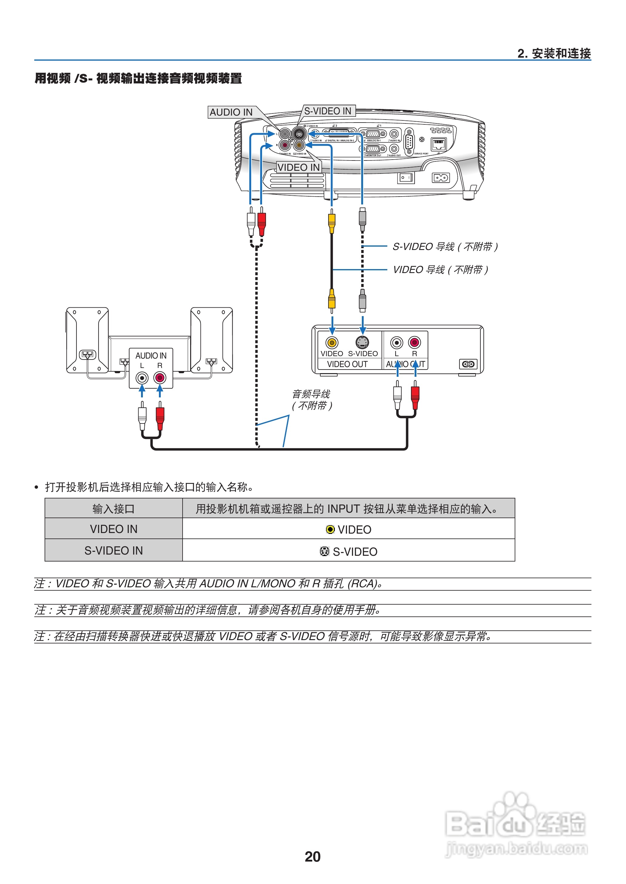
佳能LV-7380投影仪使用说明书:[3]
2026-02-15 17:04:11
本篇为《佳能LV-7380投影仪使用说明书》,主要介绍该产品的使用方法以及常见故障解决方案。
(共篇)
上一篇:
|
下一篇:
相关推荐
佳能LV-7380投影仪使用说明书:[7]
阅读量:78
佳能LV-7380投影仪使用说明书:[10]
阅读量:165
佳能LV-5220投影仪使用说明书:[3]
阅读量:63
佳能LV-7225投影仪使用说明书.:[3]
阅读量:123
投影仪清灰教程
阅读量:97
猜你喜欢
奥数是什么
你会爱我到什么时候
11月13日是什么星座
12月2日是什么星座
什么的春雨
省控线是什么意思
大象的鼻子像什么
不讲武德什么意思
龙和什么生肖最配
小沈阳最近出什么事了
猜你喜欢
病娇是什么意思
迷你世界什么时候下架
监制是做什么的
clap什么意思英语
ui是什么意思
俘虏是什么意思
外阴痒用什么药
egm是什么意思
mojito是什么意思
囊肿是什么原因引起的