裕芯经验网
首页
美食营养
生活百科
知识问答
生活知识
返回
裕芯经验网
首页
美食营养
游戏数码
手工爱好
生活知识
生活百科
健康养生
运动户外
职场理财
情感交际
母婴教育
时尚美容
知识问答
搜索
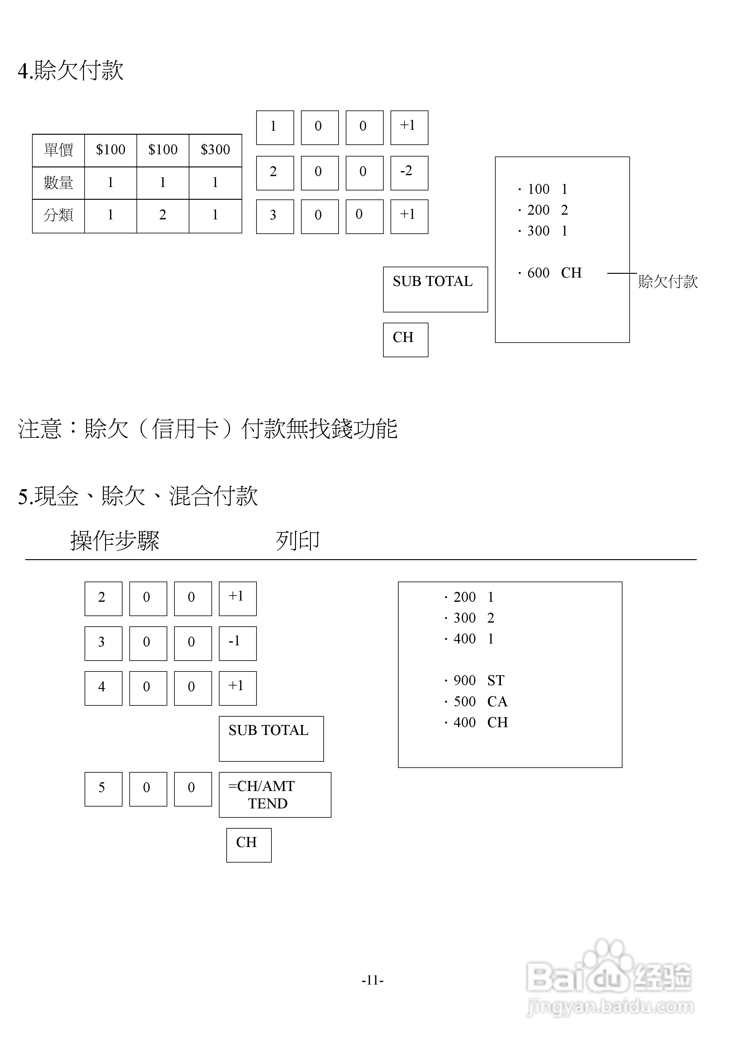
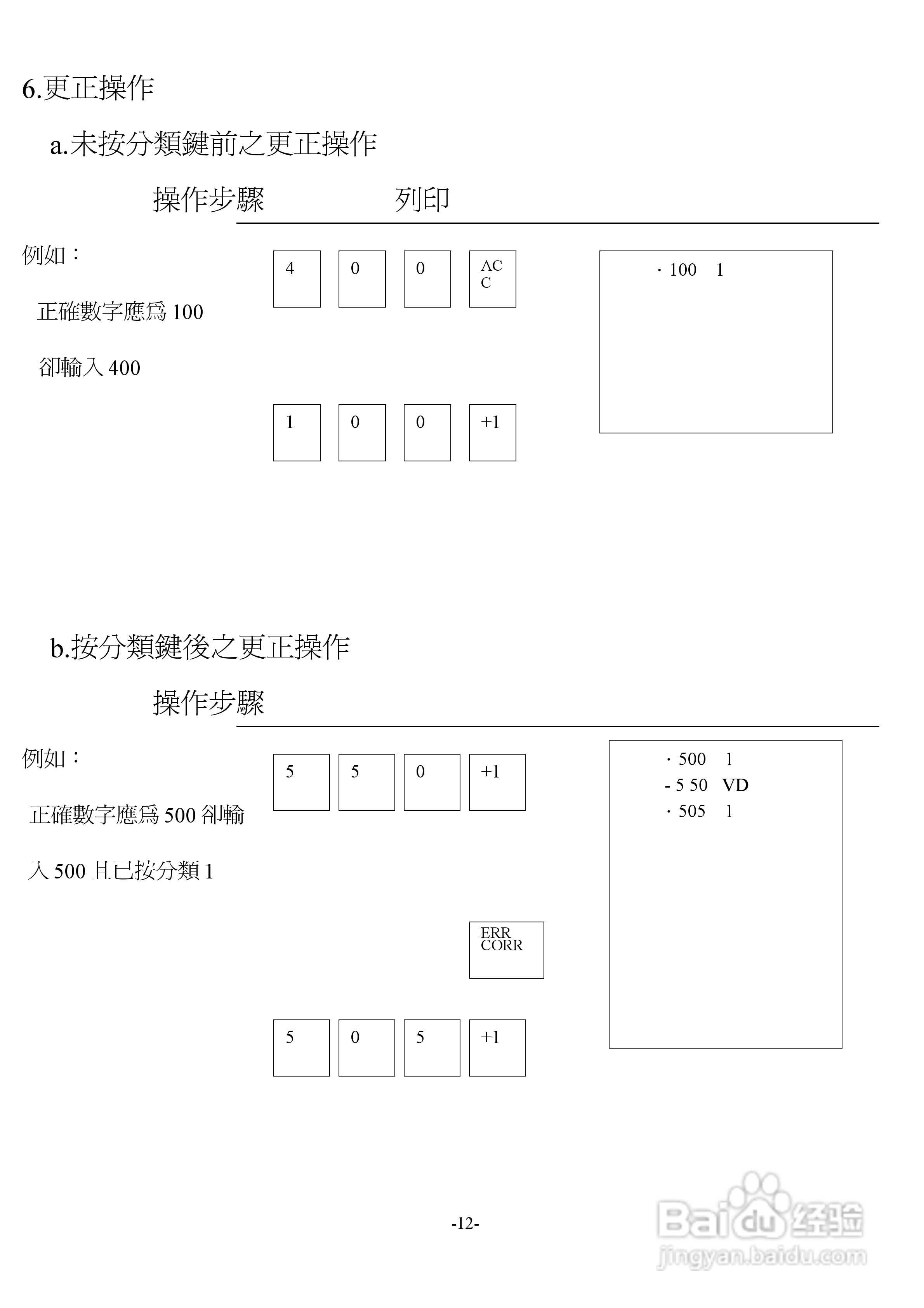
卡西欧120CR电脑收银机操作手册
2026-02-12 09:09:26
相关推荐
王都创世物语怎么开始游戏
阅读量:140
最强连一连3级第5关通关攻略
阅读量:157
一人之下手游没体力怎么升级
阅读量:32
教你做大蒜炒春笋
阅读量:97
Swissquote教大家关于隔夜利息计算公式的方法
阅读量:50
猜你喜欢
性的方法
皮衣破了怎么修补
祛斑方法
蛋黄酱怎么做
一元二次方程配方法
涨奶有硬块怎么办
身份证号码大全
小河虾怎么做好吃
肩周炎的治疗土方法
腋臭的治疗方法
猜你喜欢
小孩打呼噜是怎么回事
翡翠鉴定方法
脖子落枕最快治愈方法
电信怎么查套餐
吉祥物图片大全
现代名图怎么样
记性差怎么办
女人失眠的治疗方法
禁止标志图片大全
白癜风治疗方法