裕芯经验网
首页
美食营养
生活百科
知识问答
生活知识
返回
裕芯经验网
首页
美食营养
游戏数码
手工爱好
生活知识
生活百科
健康养生
运动户外
职场理财
情感交际
母婴教育
时尚美容
知识问答
更多知识
搜索
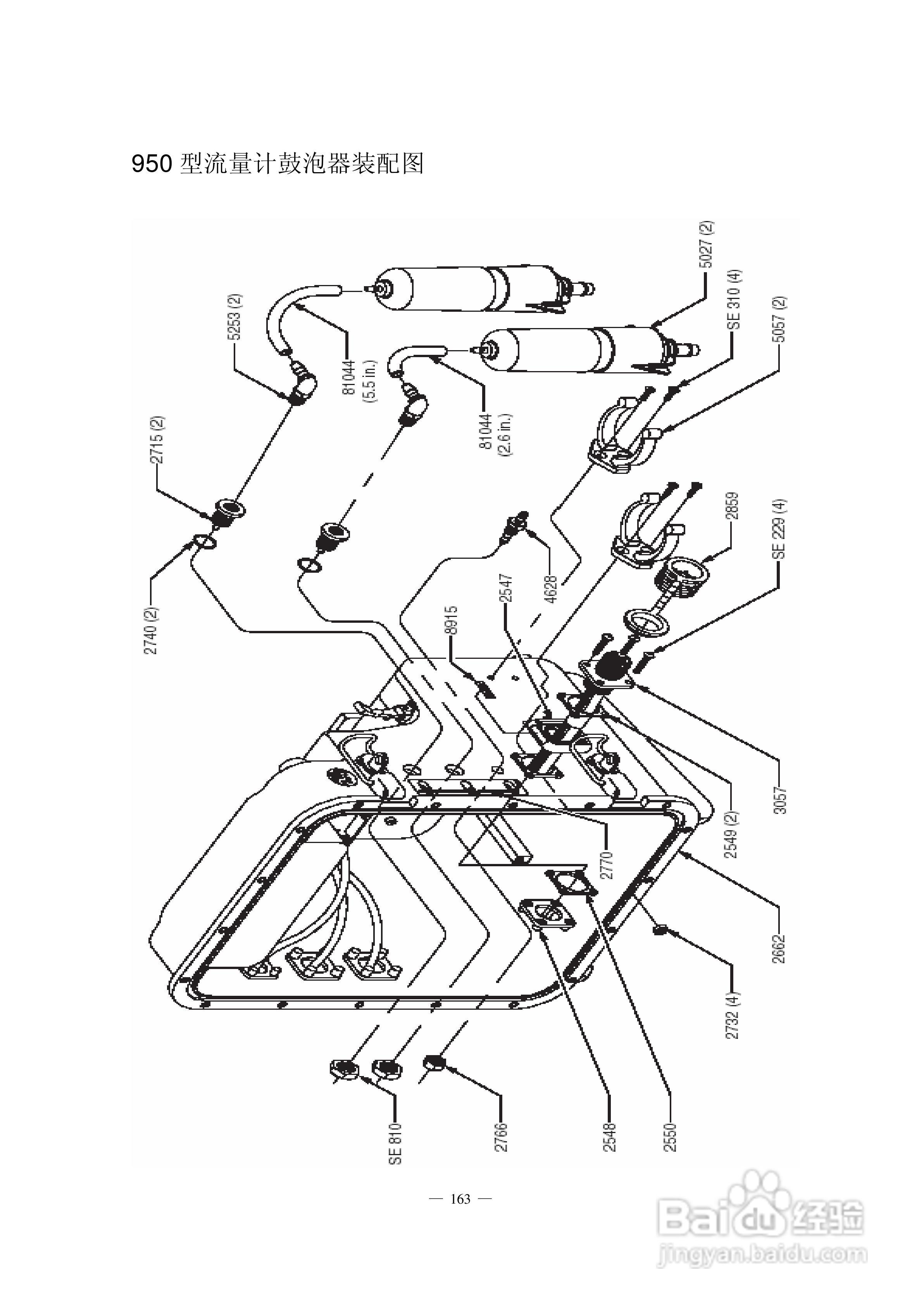
HACH 950 型流量计使用说明书:[18]
2026-02-16 19:00:06
本篇为《HACH 950 型流量计使用说明书》,主要介绍该产品的使用方法以及常见故障解决方案。
(共篇)
上一篇:
|
下一篇:
相关推荐
HACH 950 型流量计使用说明书:[15]
阅读量:196
HACH 950 型流量计使用说明书:[7]
阅读量:32
使用说明书封面怎么做
阅读量:51
使用说明书wf2651使用指南
阅读量:48
HACH 950 型流量计使用说明书:[14]
阅读量:23
猜你喜欢
柏子仁的功效与作用
知识产权顾问
红提子的功效与作用
茶油的作用与功效
苍术的功效与作用
知识青年上山下乡
什么是表面活性剂
点读笔什么牌子好
什么专业比较好
橄榄的功效与作用
猜你喜欢
蜂胶的作用
初二数学上册知识点
什么是紧急制动
仙灵脾的功效与作用
作用
生土豆汁的功效与作用
室内减肥运动
银耳莲子红枣汤的功效与作用
茄子的功效与作用
百香果的功效与作用