如何实现电动机的点动与自锁混合控制
1、电动机点动和自锁运转控制电路是利用按钮、接触器来控制电动机朝单一方向运转的 ,其控 制简疟觥窖捎单、经济 ,维修方便 , 广泛用于大于 5.5kW 以上电动机间接启动的控制。其控制线路如 图 1、2 所示。

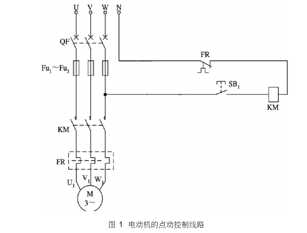
(1) 启动停止控制 : 合上电源断路器 QF, 按下启动按钮 SB1→KM 线圈得电→ KM 主触头闭 合(辅助常开触头同时闭合 )→电动机 M 启动并点动运行。 当松开 SB1 时, 它虽然恢复到 断开位置 , 在松开 SB1 时, 电动机停止。
(2) 接线时,先接主回路,它是从 380V 三相交流电源的输出端 U、V、W开始,经熔断器、 交流接触器的主触头、热继电器到电动机上,用导线按顺序分清颜色串联起来。主电路 连接完整无误后,再连接控制电路。它是从 220V 三相交流电源某输出端开始,经过熔 断器、常开按钮 SB1、接触器的线圈、热继电器的常闭触头到零线。
(1) 启动控制 : 合上电源断路器 QF, 按下启动按钮 SB1→KM 线圈得电→ KM 主触头闭合 (辅 助常开触头同时闭合 )→电动机 M 启动并单向连续运行。 当松开 SB1 时, 它虽然恢复到断开 位置 , 但由于有 KM 的辅助常开触头与 SB1 并联 , 在 KM 动作时 ,KM 的辅助常开触头也动 作(即闭合 ), 因此 KM 线圈仍保持通电。
这种利用接触器本身的常开触头使接触器线圈继续 保持通电的控制称为自锁或自保 , 该辅助常开触头就叫自锁 (或自保 )触头。正是由于自锁触 头的作用 , 在松开 SB1 时, 电动机仍能继续运转 , 而不是点动运转。
(2) 停止控制 : 按下停止按钮 SB→KM 线圈失电→ KM 主触头断开 (KM 自锁触头也断开 )→ 电动机 M 停止运转。 当松开 SB 时, 其常闭触头虽恢复为闭合位置 , 但因接触器 KM 的自 锁触头在其线圈失电的瞬间已断开 , 并解除了自锁 , 所以接触器 KM 的线圈不能继续得电 , 即电动机 M 停止转动。

扩展资料:
1、常见故障如下 :
(1) 合上 QF 后, 指示灯不亮。故障原因 : 电源有问题 (缺相 ), 查明处理 ; 熔断器熔丝熔 断, 查出更换 ; 接线有误 , 须仔细检查 ; 指示灯本身坏 , 应更换。
(2) 合上 QF 后, 烧熔丝或断路器跳闸。故障原因 : 指示灯被短接 ; KM 的线圈和 SB1 同 时被短接 ; 主电路可能有短路 (QF 到 KM 主触头这一段 )。
(3) 合上 QF 后, 指示灯亮 , 电动机马上运转。 故障原因 : SB1 启动按钮被短接 ; SB1 常开 点错接成常闭点。
(4) 合上 QF 后, 指示灯亮 , 但按 SB1 时, 烧熔丝或断路器跳闸。故障原因 : KM 的线圈 被短接 ; 主电路可能有短路 (KM 主触头以下部分 )。
(5) 合上 QF 后, 按 SB1, KM 不动作 , 电动机也不转动。 故障原因 : SB 未闭合或接成常开点 ; FR 的辅助常闭点断开或错接成常开点 ; KM 线圈未接上 , 或线圈损坏而未形成回路 ; 接线有误。
(6) 合上 QF 后, 指示灯亮 , 按 SB1, KM 接触器能吸合 , 但电动机不转动。 故障原因 : 电 动机星形连接的中性点未接好 ; 电源缺相 (有嗡嗡声 ); 接线错误。
(7) 合上 QF 后, 指示灯亮 , 按 SB1,电动机只能点动运转。故障原因 : KM 的自锁触头未 接好 ; KM 的自锁触头损坏。
2、点动控制:
用手按下按钮后电动机得电运行,当手松开后,电动机失电,停止运行。 长动控制:用手按下按钮后电动机得电运行,当手松开后,由于接触器利用常开辅助触头自锁,电动机照样得电运行,只有按下停止按钮后电动机才会失电停止运行。
3、自锁控制:
按下起动按钮SB2,接触器KM线圈通电,与SB2并联的KM的辅助常开触点闭合,以保证松开按钮SB2后KM线圈持续通电,串联在电动机回路中的KM的主触点持续闭合,电动机连续运转,从而实现连续运转控制。
参考资料: