裕芯经验网
首页
美食营养
游戏数码
知识问答
生活知识
返回
裕芯经验网
首页
美食营养
游戏数码
手工爱好
生活知识
健康养生
运动户外
职场理财
情感交际
母婴教育
时尚美容
知识问答
搜索
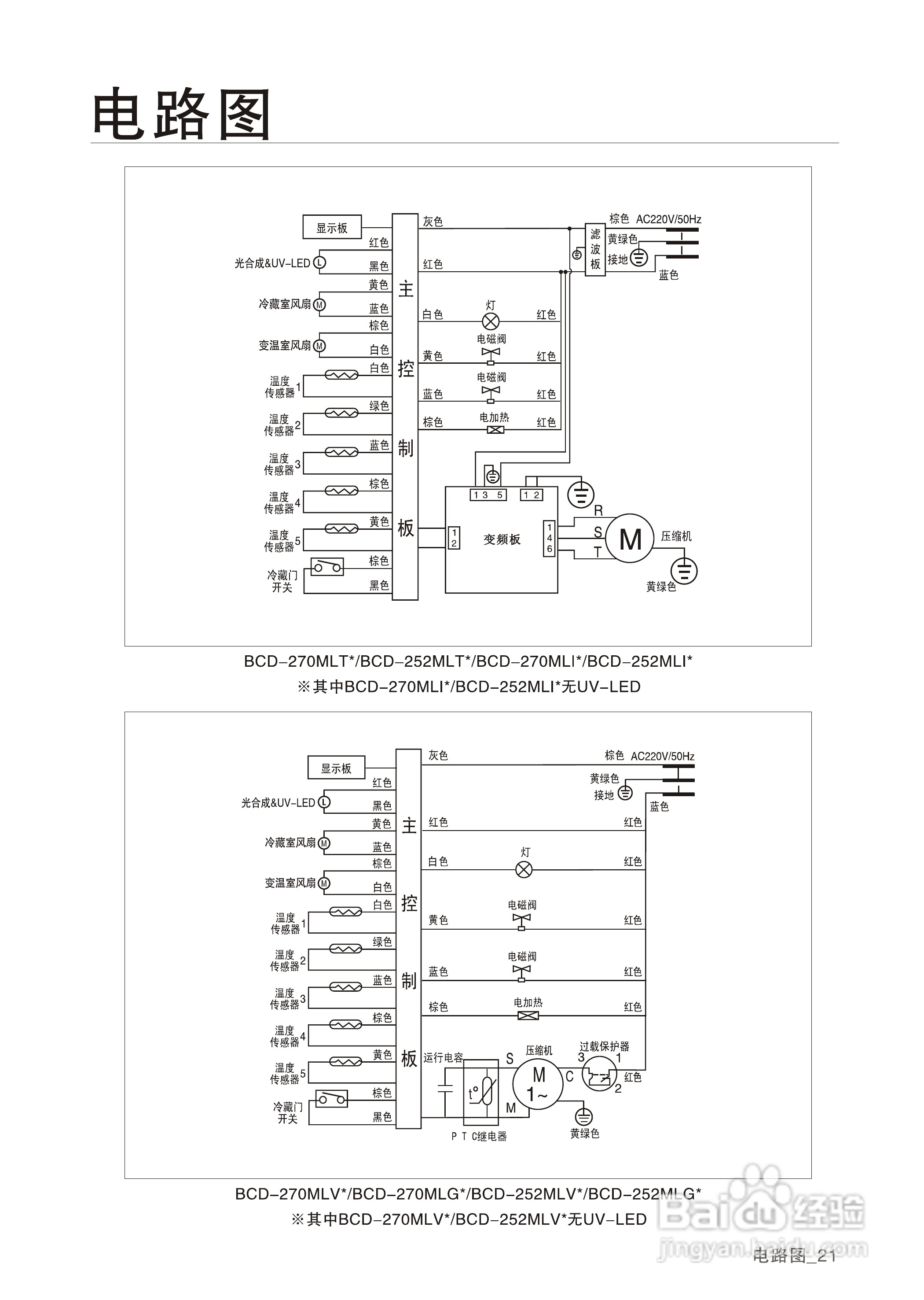
三星BCD-270MLV电冰箱使用说明书:[3]
2026-02-15 06:58:16
(共篇)
上一篇:
相关推荐
三星BCD-270MLV电冰箱使用说明书:[2]
阅读量:175
三星BCD-252MLV电冰箱使用说明书:[3]
阅读量:98
三星BCD-270MLT电冰箱使用说明书:[3]
阅读量:39
三星BCD-270MLTF电冰箱使用说明书:[3]
阅读量:164
三星BCD-270MLT电冰箱使用说明书:[1]
阅读量:194
猜你喜欢
高铁和动车有什么区别
性激素六项主要是查什么
4月25日是什么星座
92年属什么生肖
友谊是什么
断片是什么意思
十年是什么婚
楔子是什么意思
同人是什么意思
中秋节什么时候
猜你喜欢
拔草是什么意思
长善救失什么意思
浙江有什么大学
女生过生日送什么礼物好
双拥是指什么
外汇是什么意思
鳞次栉比是什么意思
皮肤黑的人适合穿什么颜色的衣服
斯国一是什么意思
什么是公租房