裕芯经验网
首页
美食营养
游戏数码
知识问答
生活知识
返回
裕芯经验网
首页
美食营养
游戏数码
手工爱好
生活知识
健康养生
运动户外
职场理财
情感交际
母婴教育
时尚美容
知识问答
搜索
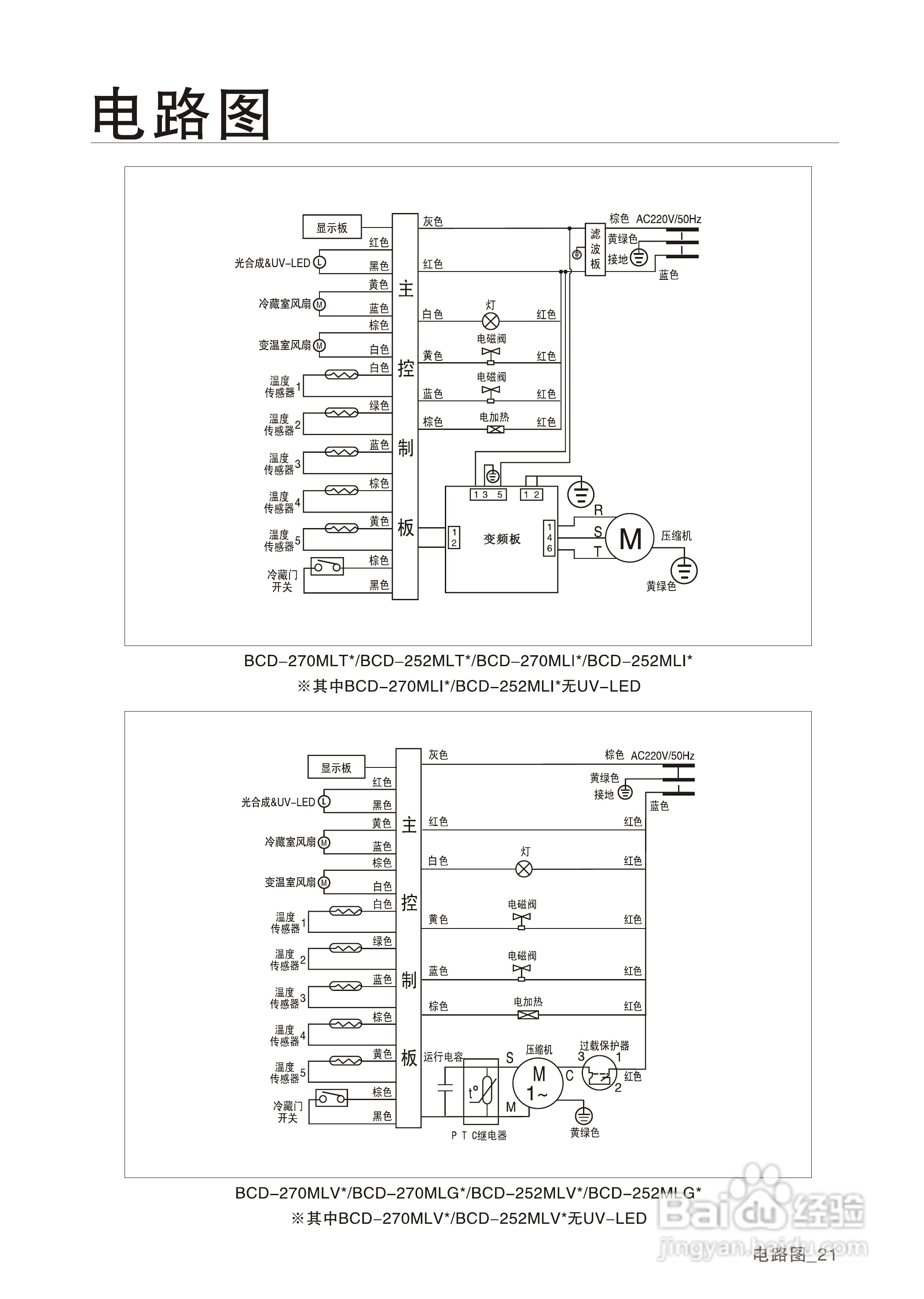
三星BCD-270MLG电冰箱使用说明书:[3]
2026-02-14 22:54:03
(共篇)
上一篇:
相关推荐
三星BCD-270MLG电冰箱使用说明书:[2]
阅读量:185
三星BCD-270MLTF电冰箱使用说明书:[3]
阅读量:122
三星BCD-252MLG电冰箱使用说明书:[3]
阅读量:51
三星BCD-270MLI电冰箱使用说明书:[2]
阅读量:77
三星BCD-252MLG电冰箱使用说明书:[2]
阅读量:36
猜你喜欢
如何提高视力
如何做馒头
肺功能失常怎么调理
杨光的快乐生活电影
脚趾甲变厚怎么治
如何开网站
如何提升自己的气质
生活需要快乐
肚子有蛔虫怎么办
农家子的古代科举生活
猜你喜欢
宝骏730油耗怎么样
膜法传奇1853怎么样
怎么去除斑
如何皈依
脸上长痣怎么去除
穿越之村姑生活
pvc地板怎么样
小学数学如何评课
pmp是什么意思
logo是什么意思