裕芯经验网
首页
美食营养
生活百科
知识问答
生活知识
返回
裕芯经验网
首页
美食营养
游戏数码
手工爱好
生活知识
生活百科
健康养生
运动户外
职场理财
情感交际
母婴教育
时尚美容
知识问答
更多知识
搜索
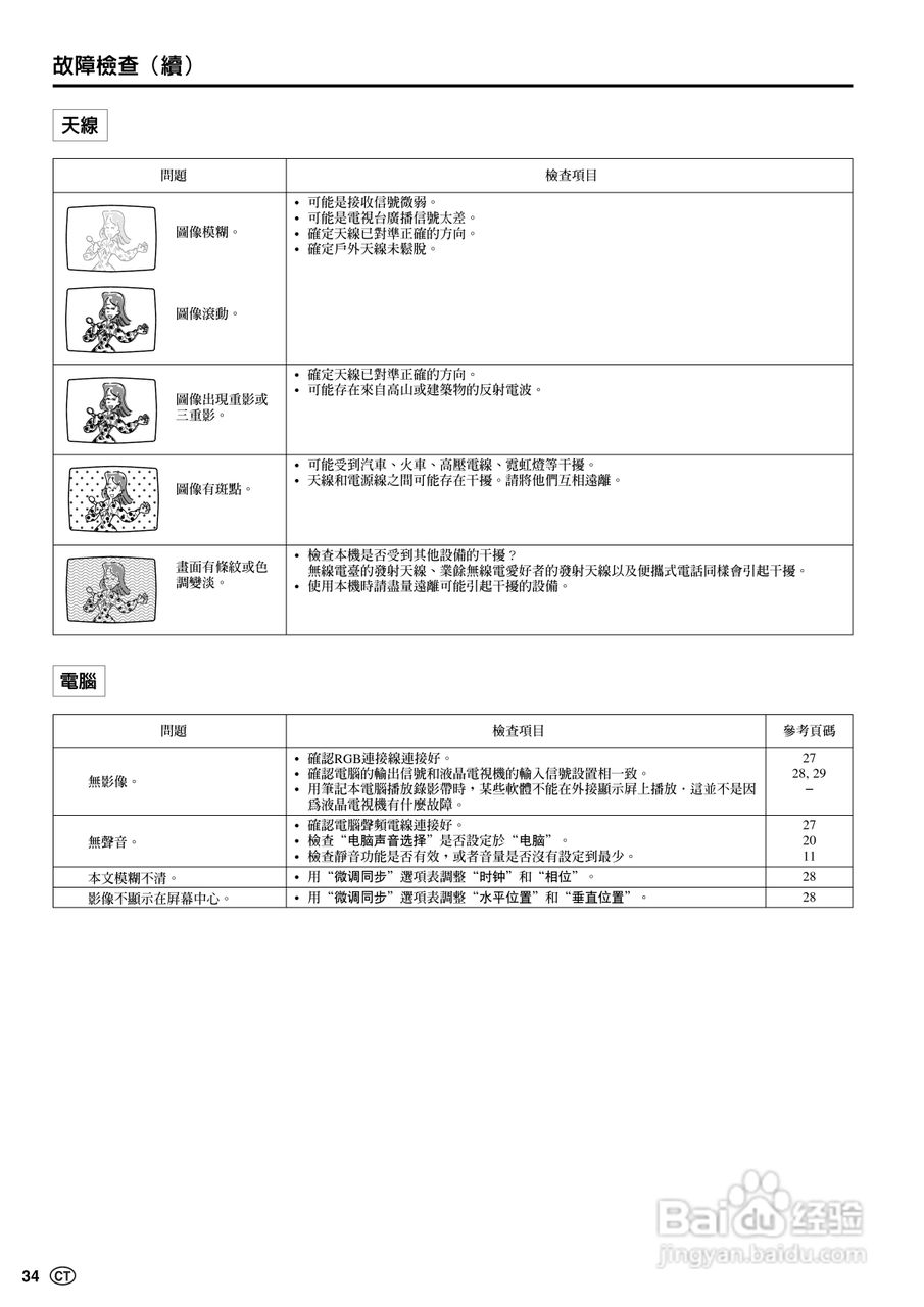
声宝LC-20B6H型液晶电视机说明书:[4]
2026-02-16 13:14:35
(共篇)
上一篇:
相关推荐
声宝LC-20B6H型液晶电视机说明书:[1]
阅读量:121
声宝LC-13E1H型液晶电视机说明书:[4]
阅读量:24
声宝LC-20B4H型液晶电视机说明书:[4]
阅读量:53
液晶电视机电源维修教程
阅读量:125
液晶电视机观看过程中无规律的三无故障维修经验
阅读量:32
猜你喜欢
瘊子是怎么形成的
ps怎么描边
泰国用英语怎么说
大众凌渡怎么样
身份证过期怎么补办
铃声多多怎么设置铃声
研究报告怎么写
驾驶证丢了怎么补
大米生虫子怎么办
ps怎么加水印
猜你喜欢
拳头账号怎么注册
怎么看朋友圈访客记录
龃龉怎么读
韩语哥哥怎么说
cf怎么改名
魅族怎么刷机
电话车险怎么买
八宝饭怎么做
打卤面的卤怎么做
牙髓炎怎么办