裕芯经验网
首页
美食营养
游戏数码
知识问答
生活知识
返回
裕芯经验网
首页
美食营养
游戏数码
手工爱好
生活知识
健康养生
运动户外
职场理财
情感交际
母婴教育
时尚美容
知识问答
搜索
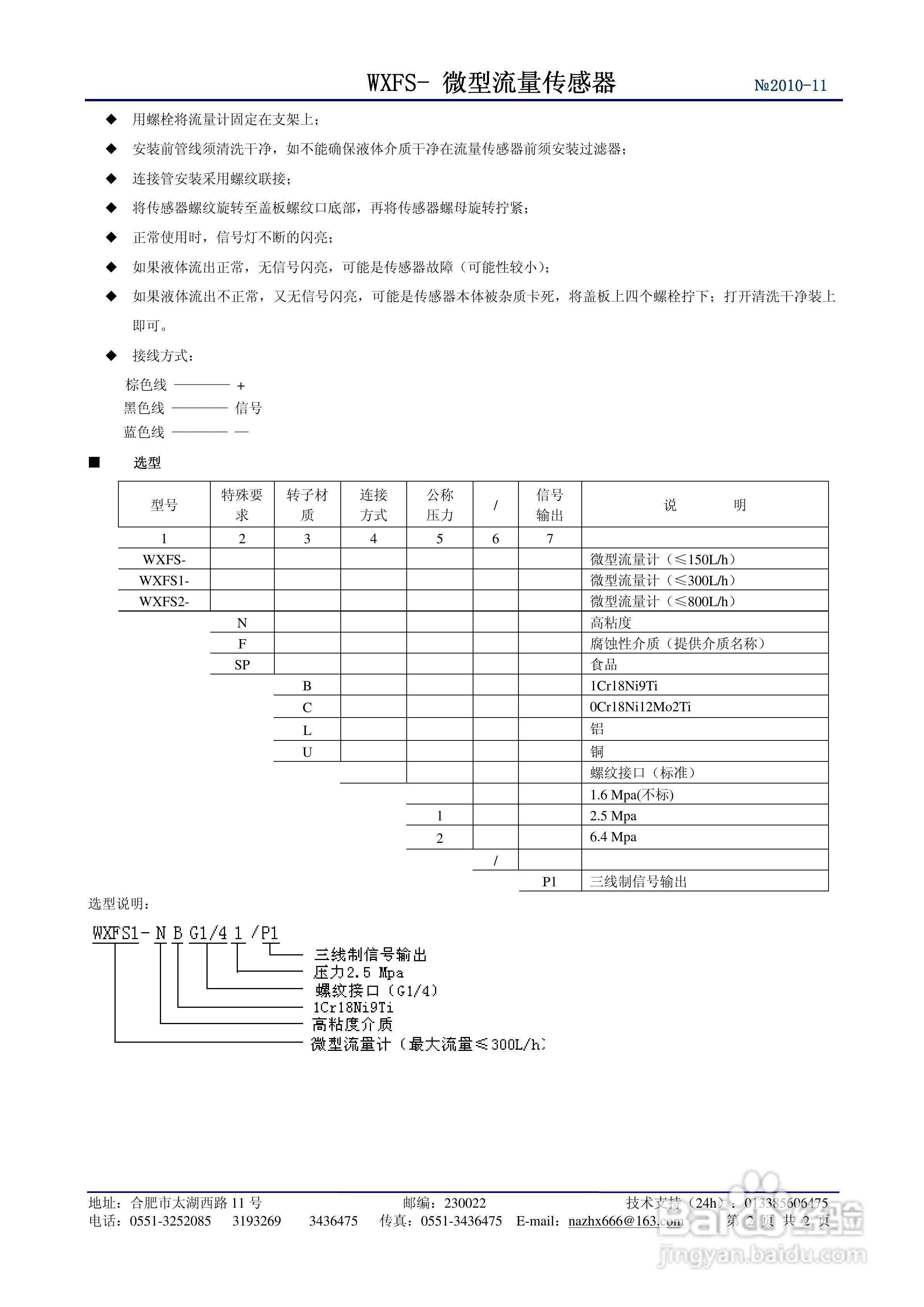
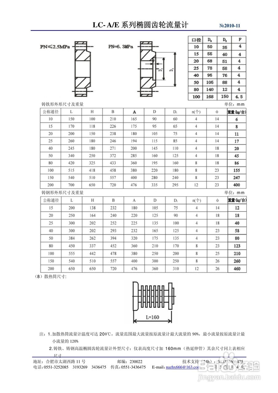
WXFS-微型流量传感器说明书:[1]
2026-02-17 07:21:42
本篇为《WXFS-微型流量传感器说明书》,主要介绍该产品的使用方法以及常见故障解决方案。
(共篇)
下一篇:
相关推荐
如何更改路由器无线信道
阅读量:160
无线路由器怎么修改WiFi信道
阅读量:122
tp-link怎么设置
阅读量:99
华为路由器怎么把2.4g和5g分开
阅读量:192
小米路由器怎么设置?
阅读量:179
猜你喜欢
牛仔裤怎么卷裤脚
癞蛤蟆怎么吃
dota2怎么玩
冻脚怎么办
怎么去除痘印
薇姿的护肤品怎么样
怎么转换mp3格式
论文关键词怎么写
黄褐斑是怎么形成的
中国的英文怎么写
猜你喜欢
itunes怎么备份
汉堡包英文怎么说
单身怎么过情人节
芦荟怎么用
电驴怎么用
菊花茶怎么泡
舌头发麻是怎么回事
孕妇感冒鼻塞怎么办
台账怎么做
别克昂科拉怎么样